WWW.LT1SWAP.COM

[ HOME ]    [ PCM PROGRAMMING ]   [ WIRE HARNESS INFO  ]    

[ Active Fuel Management DELETE ]

Visit my Facebook page for a lot of New Pictures & Harness Guides YouTube channel for How To videos  - E-Mail: brendan@lt1swap.com ph. 417-277-5836 land line 8am to 4pm typically

 

4L60E Module Power/Ground/Data

4L60E PNP, Vss, Tow-Haul Signals

4L60E Pressure & Temp

4L60E Shift Controls

5v and Low References

6L80/90 Module Power/Ground/Data/ Stop Lamp Signal

6L80/90 Pressure Controls 1 & Shift Control

6L80/90 Pressure Controls 2 & Speed Sensors

6L80/90 Trans Range Signal and Driver Shift Request

Controlled-Monitored Subsystems

Engine Data Sensors - HO2s

Engine Data Sensors - Pressure & Temp

Engine Data Sensors - Throttle Controls

Fuel Controls - EVAP Controls

Fuel Controls - Fuel Injectors

Fuel Pump Controls (except LMG-LY6-LC9)

Fuel Pump Controls with LMG-LY6-LC9

Ignition Controls - Coils 1,3,5,7

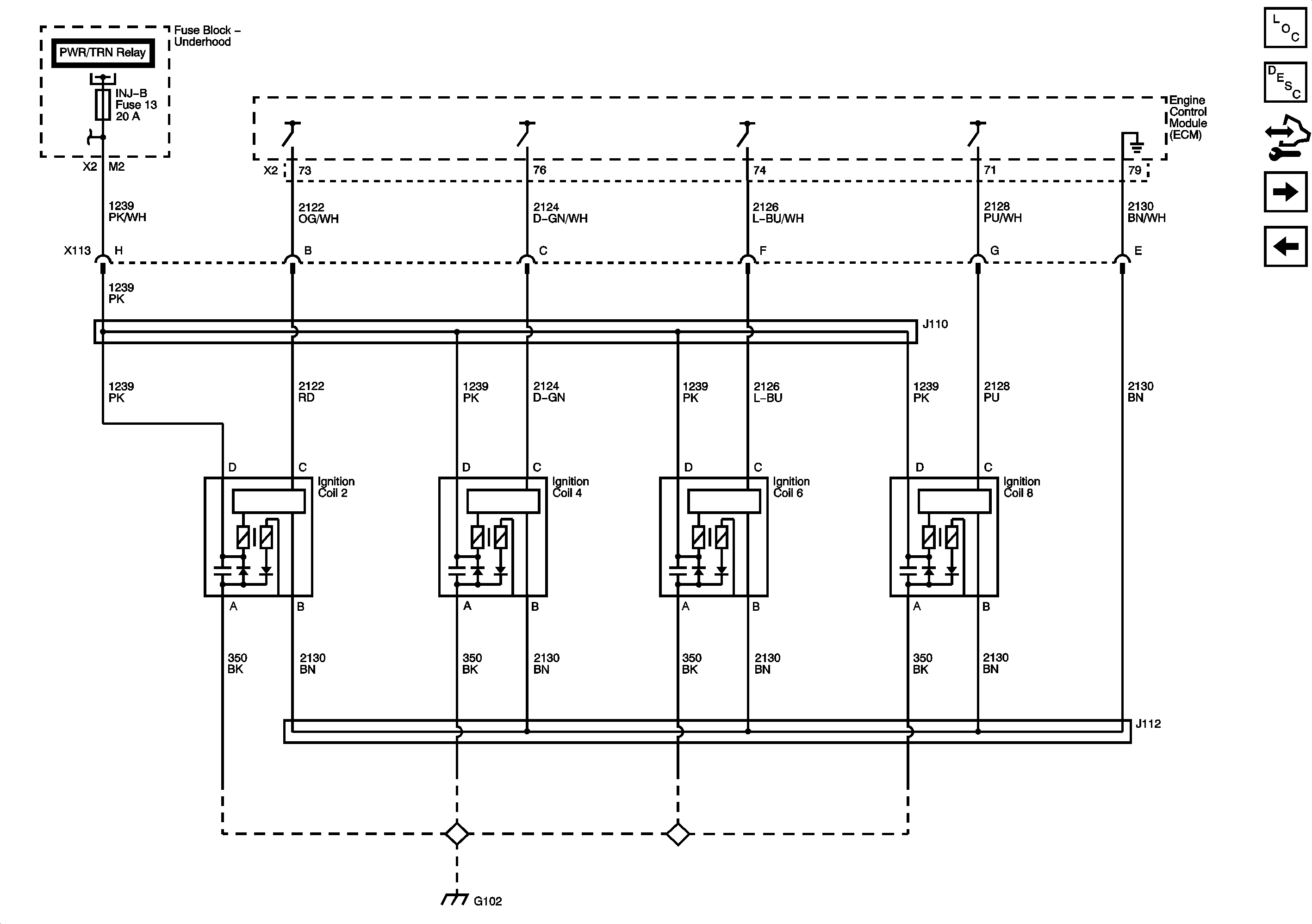
Ignition Controls - Coils 2,4,6,8

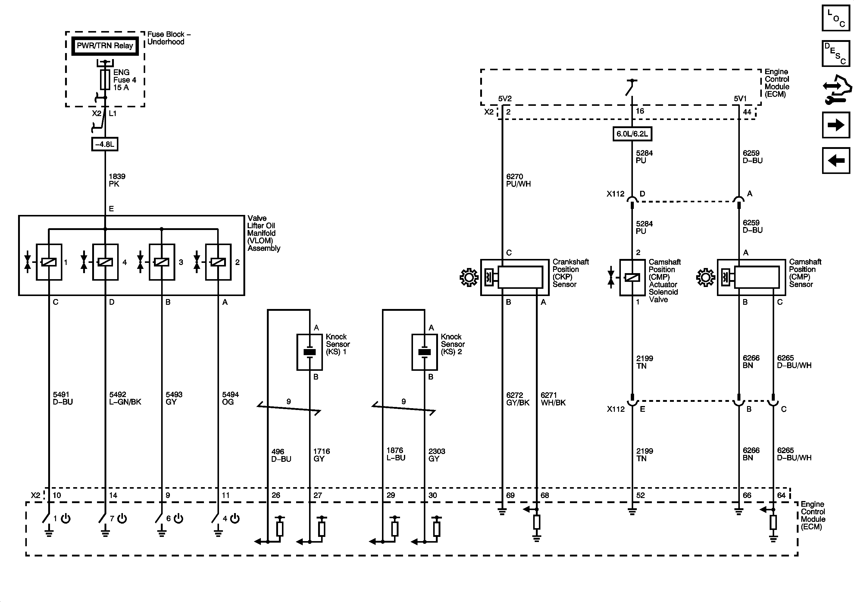
Ignition Controls - Sensors

Underhood Fuse Block

High Speed Bus (OBD2 Port)