WWW.LT1SWAP.COM

[ HOME ]    [ PCM PROGRAMMING ]   [ WIRE HARNESS INFO  ]    

[ Active Fuel Management DELETE ]

Visit my Facebook page for a lot of New Pictures & Harness Guides YouTube channel for How To videos  - E-Mail: brendan@lt1swap.com ph. 417-277-5836 land line 8am to 4pm typically

Here are the power train controls schematics for 2004 5.7L GTO

 

AUTO TRANS

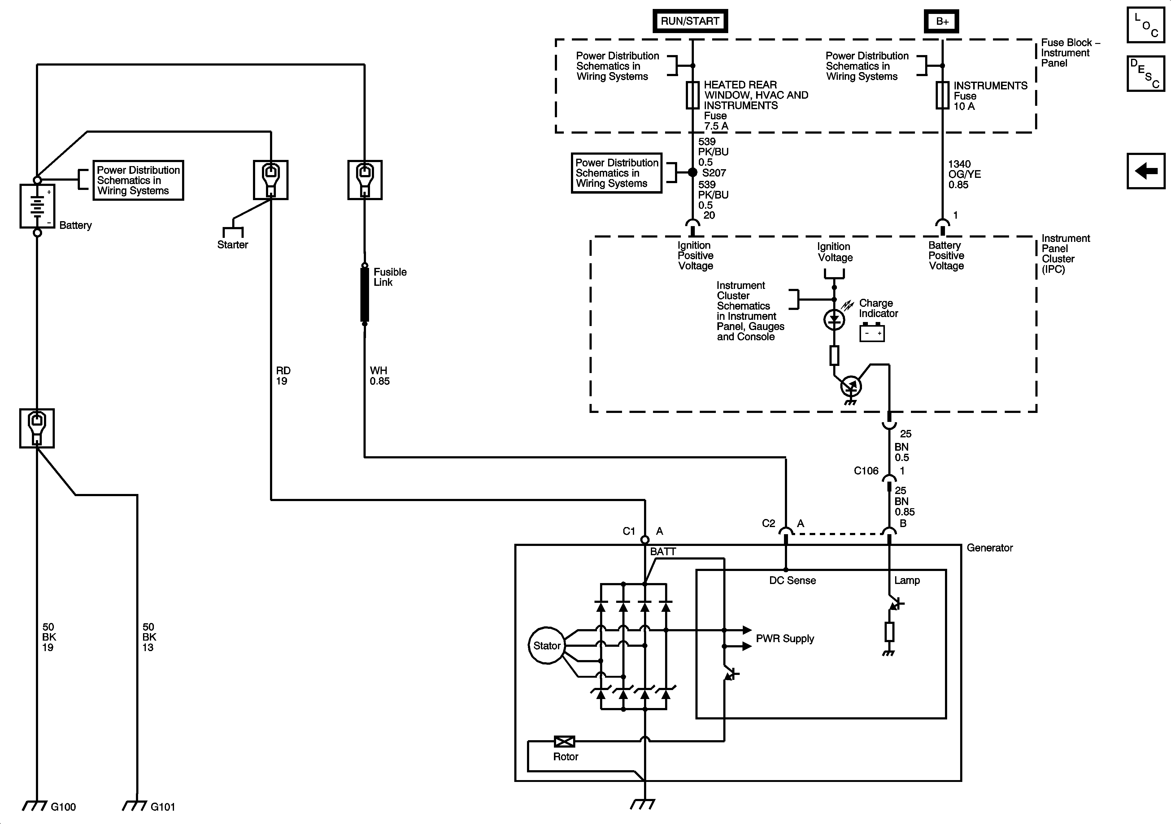
CHARGING

DATA LINK 1 OF 2

DATA LINK 2 OF 2

FUEL INJECTORS

FUEL PUMP

OXYGEN SENSORS

IAC VALVE, COOLANT TEMP, CAM, CRANK SENSORS

COILS 1 OF 2

COILS 2 OF 2

KNOCK SENSORS, MAP SENSOR

MANUAL TRANS, EVAP, MASS AIRFLOW

PCM POWER GROUND

PARK-NEUTRAL SW

PCM INPUT/OUTPUTS

STARTING

THROTTLE RELAXER SYSTEM, TPS